南瓜高清播放 - 线控底盘关键零部件之电磁阀
2025-06-04 10:06:38电磁阀作为流体控制的关键执行元件,凭借其快速响应,高精度控制和可靠性等优势 南瓜影院,在新能源汽车的制动和悬架系统中扮演着极其重要的角色,不可或缺,硬质橡胶产品。

1. 电磁阀在制动系统中的应用
1.1 制动力分配与防抱死控制(ABS)
新能源汽车的制动系统需要协调传统摩擦制动与能量回收制动,电磁阀在此过程中通过精确控制制动液压力,实现制动力在四轮间的动态分配 南瓜影院在线观看,橡胶硅胶材料密封结构。
在ABS系统中,电磁阀采用高速开关阀(二位二通阀),通过高频PWM(脉冲宽度调制)控制占空比,实现制动压力的增压,保压和减压 南瓜影视资源,例如,常开电磁阀允许制动液流动以增加压力,而常闭电磁阀则阻断流动以保持压力稳定。
在hEMB系统(混合方案)中,前轮采用EMB电机驱动,后轮保留液压制动,通过电磁阀实现前后制动力分配及故障切换 南瓜高清播放,当发生电气故障时,电磁阀开启,驾驶员踏板力通过液压路径直接作用于后轮卡钳,汽车高压连接器硅橡胶图片。

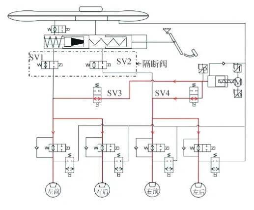
如图所示,两个隔断电磁阀SV1,SV2实现了踏板模拟器和轮缸两个液压回路的解耦作用,可实现驾驶员踏板解耦的制动系统,除了集成式电液制动系统外,采用电子踏板,电子控制单元和轮端控制模块(电机)的电子机械制动EMB系统,电磁制动系统等,也可实现驾驶员与制动卡钳之间的解耦,新能源橡胶密封圈厂家 南瓜影院免费观看。
1.2 能量回收与制动协同
在能量回收制动中,电磁阀需与整车控制器(VCU)协同工作,当驾驶员轻踩制动踏板时 在线电影院,电磁阀优先启动能量回收模式,通过调节液压系统压力,减少机械制动的介入,将动能转化为电能储存,在紧急制动或电池满电时,电磁阀快速切换至传统摩擦制动模式,确保安全性,例如,博世iBooster系统通过电磁阀实现电液耦合,减少对真空助力的依赖,新能源电池箱体橡胶密封。
2. 电磁阀在悬架系统中的应用

2.1 空气悬架的高度与刚度调节
高端新能源车型(如仰望U7)采用主动空气悬架 南瓜影院,电磁阀在此系统中承担气体流量控制的核心功能,出售储能产业橡胶硅胶配件定制厂家。
高度调节:通过电磁阀控制压缩空气进入气囊的流量,实现车身抬升或下降 南瓜影院在线观看,例如,高速行驶时降低车身以减少风阻,越野时抬升底盘以增加通过性,汽车橡胶硅胶配件批发厂家。
刚度调节:电磁阀结合传感器信号动态调整气囊内气压 南瓜影视资源,改变悬架阻尼特性,例如,云辇-Z系统通过算法迭代,可在10ms内完成刚度调整,实现“过坎不跳”的平顺性,耐高温橡胶密封圈。
2.2 主动阻尼控制(CDC)
在电磁悬架(如特斯拉Model S Plaid)中,电磁阀通过调节液压油路流量,改变减震器阻尼力,当检测到颠簸路面时,电磁阀增大油液流通截面积,降低阻尼力以提升舒适性,在高速过弯时,电磁阀缩小流通面积,增加阻尼力以抑制侧倾 南瓜高清播放,专业定做汽车橡胶硅胶配件厂家。
特别声明:内容来源 华若汀云想电驱动 仅供参考,以传递更多信息而不是盈利,版权属于原作者 南瓜影院免费观看,如有侵权,请联系删除。









